Aircol AKS 686P Salyangoz Radyal Fan-Pelet Soba Fanı
KULLANIM ALANLARI:
Hava akışının gerekli olduğu ısıtma veya soğutma amaçlı bütün endüstriyel uygulamalarda kullanıma uygundur.
Ürünümüz özellikle pelet ve odun sobalarında kullanılmak üzere tasarlanmıştır.
ÖZELLİKLER:
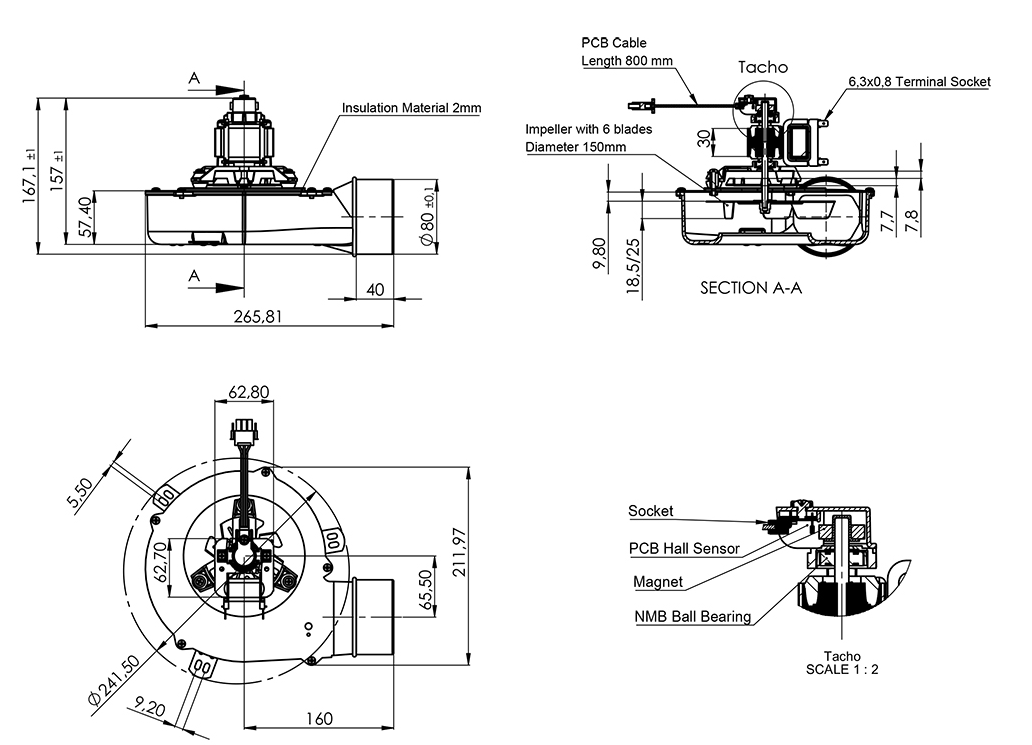
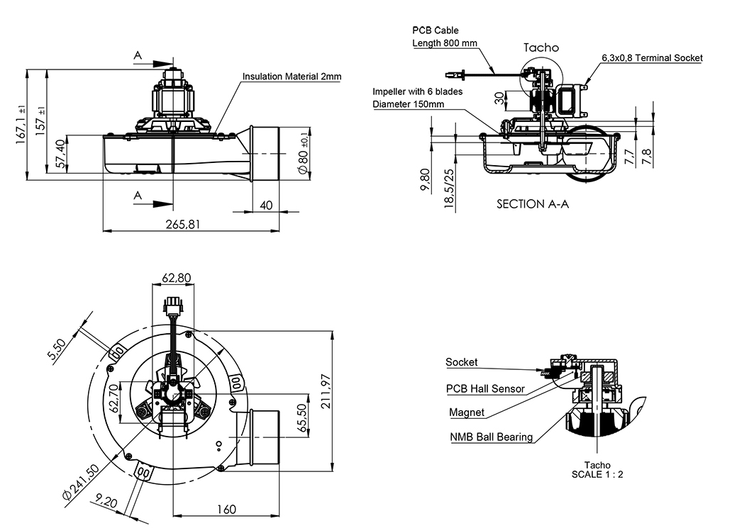
Gövdesi yüksek kalite alüminyumdan üretilen ürünümüz paslanmaya, yüksek sıcağa ve benzeri sert çalışma koşullarına dayanıklıdır.
Aluzinc çelik sacdan üretilen pervane; hafifliği, basınçlı hava akışı ve düşük ses seviyesiyle optimum performans sağlamaktadır.
Ürünümüz ISO 1940 standartlarına göre dinamik ve statik balans testlerinden başarıyla geçmiş olup minimum titreşimle sürekli olarak yüksek basınçlı hava transferi yapabilmektedir.
Fanın hava debisi mini elektronik kartı sayesinde kolayca kontrol edilebilir.
Motorun gövdeye titreşim önleyici aparatlar ile montaj edilmesiyle hem motor aşırı ısıdan izole edilmiş hem de olası titreşimler minimum seviyeye indirilmiştir.
Ürünümüz Sınıf–I (Class-I) koruma sınıfına dahildir.
Gölge kutuplu monofaze motoru sayesinde düşük enerji sarfiyatı ve optimum verimlilik elde edilmiştir.
Rulmanlı motor yatakları bakım gerektirmeyen sessiz ve uzun ömürlü performans sağlamaktadır.
Motor H yalıtım sınıfına dahildir.
Ürünlerimiz EN 60335-2-80, Low Voltage Equipment [2006/95/EC] ve Electromagnetic Compatibility [2004/108/EC] normlarına uygun olarak üretilmektedir.
KULLANIM SEÇENEKLERİ:
Açma/Kapama butonuyla birlikte standart olarak kullanılabilir.
Hız kontrol cihazlarıyla birlikte istenilen hız ve devirde kullanılabilir.
Sıcak ortamlarda, motorun aşırı ısınmasına karşı ısı sensörlü (termikli) koruma.
Aircol AKS 686P Salyangoz Radyal Fan
Ortamda bulunan kirli havayı çekerek yerine temiz hava sağlamaktadır.
Hava akışının gerekli olduğu ortamlarda kullanımları bulunmakta olup, ısıtma veya soğutma amaçlı şekilde kullanılabilir.
Yüksek kaliteli aluzinc çelik sacdan üretilmiş olan gövdesi ile paslanma yapmamaktadır.
Radyal fan minimum titreşim seviyesine sahip olup, ISO 1940 standartlarına göre yapılmış olan dinamik ve statik balans testlerinden geçmiştir.
Fanın debi ayarları mini elektronik kartı sayesinde rahatlıkla kontrol edilebilmektedir.
Aircol AKS 686P Salyangoz Radyal Fan
Kaliteli malzemelerden üretilmiş olan radyal salgangoz fan dayanıklı yapısı ile uzun süreli kullanım imkanı sunmaktadır.
Sessiz fan sistemlerinden bir tanesidir.
Gölge kutuplu olan, monofaze motoru ile düşük enerji sarfiyatı ve yüksek verimlilik sağlar.
Kullanım seçenekleri ise açma kapama butonu ile birlikte direkt olarak veya lambaya paralel bağlantısı sağlanarak kullanılabilir.
Motorunun aşırı ısınması gibi durumlara karşı ısı sensörü bulunmakta olup, termik korumalı bir havalandırma fanı çeşitlerinden biridir.
Teknik Özellikler
Akım 0,37 (A)
Debi 180 (m3 / saat)
Devir 2570 (Rpm)
Güç 47 W
Gürültü Seviyesi 38 (dB (A))
Malzeme Alüminyum Galvanize Çelik Sac
Ortam Sıcaklığı -30/180 (°C)
Voltaj 230 V
